Raumkonzepte
Beispiel 1: Umbau und Sanierung einer Gaststätte zu Wohnräumen.
|
Bestand
|
Umbau und
Sanierungsvorschläge 2D |
Umbau und
Sanierungsvorschläge 3D |
![]() |
![]() |
![]() |
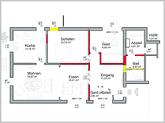
Beispiel 2: Sanierung eines Einfamilienhauses
|
Bestand
|
Sanierungsvorschläge
|
![]() |
![]() |
Sie haben Fragen oder wünschen weitere Informationen zu unserem Tätigkeitsfeld oder benötigen eine Beratung für Ihr Projekt? - Kein Problem, nehmen Sie mit uns Kontakt auf und wir werden uns umgehend mit Ihnen in Verbindung setzen.












